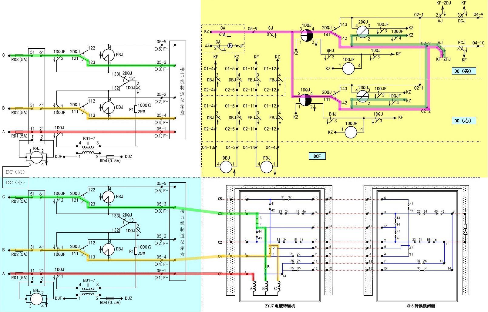
电控系统原理图是电气工程领域中的重要工具,用于展示电路中各个元件之间的连接关系和工作原理。在电控系统设计和维护过程中,原理图起着至关重要的作用。

首先,电控系统原理图通常包括各种元件符号,如电源、开关、传感器、执行器等,通过这些符号可以清晰地表示每个元件的功能和位置。同时,原理图中还标注了各个元件之间的连线方式,以及连接点的具体位置,方便工程师们进行布线和排错。

其次,通过电控系统原理图可以直观地了解整个系统的工作原理。通过分析原理图中的电路结构和信号传输路径,工程师们可以准确地判断每个元件在系统中的作用,从而更好地进行系统设计和故障排除。

此外,电控系统原理图还有助于不同工程师之间的沟通与合作。在项目团队中,大家可以通过查看和修改同一份原理图来共同理解系统架构和设计思路,提高工作效率并减少沟通误差。
总而言之,电控系统原理图是电气工程领域不可或缺的重要工具,它为工程师们提供了直观、清晰的系统设计参考,有助于确保电控系统的稳定运行和高效维护。

imtoken官网版下载:https://cjge-manuscriptcentral.com/software/66002.html