




门电路组成简单加法器:


0和1代表无和有;
以下图例,演示与门:左1右1输出1;

电平标准:使用不同的电压表示数字0和1;
高电平:1;
低电平:0;
CMOS标准:3.3v标准;
TTL标准:
RAM:随机储存器;ROM:只读储存器;
运算器:加法器,寄存器;
单片机编程可以理解为寄存器编程;
控制外设,中断,定时/计数等功能;
存放ALU(算数逻辑单元)的操作状态特征,进位标志、溢出标志等;
指示堆栈顶部位置,支持堆栈操作实现;
通常是16位,用于储存数据存储器或程序储存器的地址信息,支持间接寻址操作;
管理和控制中断请求,包括中断的允许,禁止,优先级设置;
测量时间间隔、周期和频率;
用于控制单片机的输入输出端口,包括端口的方向设置,输出状态的读取和写入以及输入状态的读取操作;
要操作GPIO,就要操作能影响GPIO的寄存器,给SFR一个固定的值来操作寄存器,还要搞清楚GPIO的地址;
程序计数器PC,指令寄存器IR,指令译码器ID,时许控制电路;
运算器+控制器 = 中央处理器(CPU);
32位微控制器;
控制:(了解)
单片机的作用,优势(低功耗,成本,性能)
直接控制功能模块(单片机外设);
主控芯片--子芯片(主控芯片通过单片机通信协议分发任务给子芯片(单片机协议))
目标:
学外设:GPIO TIM USART ADC
学外设组合使用:
学特殊机制:中断,协议(协议匹配)
了解单片机的命名规则(以STM32F103C8T6A为例子):
C:44引脚;8表示64kb闪存;

闪存(Flash Memory)是一种非易失性存储器,它允许数据在断电后仍然保留,并且可以被多次擦除和写入。以下是关于闪存的详细介绍:
闪存存放烧录的代码;

General Purpose Input/Output,通用输入输出接口
通过数据手册查看电平标准;电气特性;IO端口特性等信息;
通用输出:
高电平2.4-3.6
低电平-0.4-0.5
共地:
点灯--输出--proteus(仿真平台)
通过寄存器地址对寄存器的赋值操作对应的位,来影响GPIO;

每一组GPIO都有独立的寄存器;
每个IO端口可以自由编程,来配置不同的模式;

MOS管结构:


推挽模式下:P-MOS管和N-MOS管都打开,当输出数据寄存器输出高电平1时,经过输出控制(输出控制取反),P-MOS的N-MOS的G极都是低电平,VDD是高电平,Vss是低电平,此时只有P-MOS导通,IO引脚为高电平,外接低电平导通,表现为推;反之:当输出数据寄存器输出低电平0时,经过输出控制(输出控制取反),P-MOS的N-MOS的G极都是高电平,VDD是高电平,Vss是低电平,此时只有N-MOS导通,IO引脚为低电平,外接高电平导通,表现为挽;

开漏模式下:P-MOS管关闭,输出数据寄存器为高电平1时,经过输出控制变成低电平,此时N-MOS管表现为不导通,此时的io引脚表现为高阻态;当输出数据寄存器为低电平0时,经过输出控制变成高电平,此时N-MOS管表现为导通,IO引脚为低电平,若外接电路,可以通过输出控制外接电路的导通与短路;以灯泡为例;
1、选择芯片型号:

2、选择软件组件:


1、添加元器件:选择元器件模式,按P,进入选择元器件模式的选择页面,有搜索框可以直接搜索


2、选择终端模式:选择终端模式,选到POWER,可以选择供电;

3、连接电路:
PAI:16个引脚为一组;编号0-15;

4、点击stm32芯片设置代码源文件和晶振频率;

5、配置供电网:

给VCC/VDD配置:(高电平)

给GND配置:(低电平)

寄存器的地址:
偏移地址:寄存器的详细描述;
基地址:基地址范围的左边地址
通过基地址加上偏移地址的形式找到寄存器;


四个位控制一个引脚,一共16个引脚,需要64位,一个寄存器32位所以需要两个寄存器;
寄存器:
端口配置低寄存器(GPIOxCRL)
[3-0] = 0001;
端口输出数据寄存器(GPIO)
失能:失能是MCU(微控制单元)的默认模式,该模式基于低能耗的原则,保证设备是处于关闭状态,来达到低耗能的目的;
使能:使能是MCU的供能模式,通过对使能寄存器的赋值操作改变模式,使其从失能模式变为使能模式,从而启动MCU的模式;
要让其他寄存器运行需要先把使能寄存器设置为使能模式


外设挂载在外设上;通过APB2操作外设使能寄存器;
RCC基地址+偏移量操作寄存器;




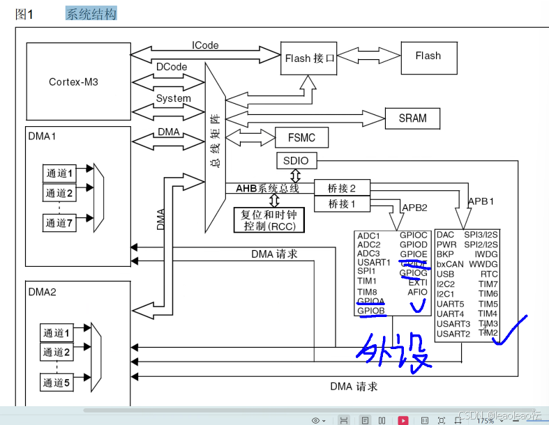
系统总线(System Bus)是计算机系统中一个至关重要的组件,它作为连接计算机系统主要部件的桥梁,承担着数据传输、地址指定和控制信号传输等多重任务。以下是关于系统总线的详细解析:
一、系统总线的定义与功能
系统总线是一个单独的计算机总线,用于连接计算机系统的主要组件,如CPU、内存和输入输出接口等。其主要功能包括:
- 数据传输:通过数据总线(Data Bus,DB)实现CPU与存储器、输入输出接口等部件之间的数据交换。
- 地址指定:通过地址总线(Address Bus,AB)确定数据传输的目的地,即指定CPU访问的存储单元或外设的地址。
- 控制信号传输:通过控制总线(Control Bus,CB)传输各种控制信号和时序信号,协调各部件之间的操作。
二、系统总线的分类
系统总线按照传递信息的功能来分,主要分为以下三类:
- 控制总线(Control Bus,CB)
- 主要用来传送控制信号和时序信号。
- 控制信号包括读/写信号、片选信号、中断响应信号等,也有来自其他部件的反馈信号,如中断申请信号、复位信号等。
- 控制总线的传送方向通常是双向的,其位数根据系统的实际控制需要而定。
- 数据总线(Data Bus,DB)
- 是双向三态形式的总线,用于CPU与存储器、输入输出接口等部件之间的数据交换。
- 数据总线的位数是微型计算机的一个重要指标,通常与微处理器的字长相一致。
- 数据总线上传输的数据可以是真正的数据、指令代码、状态信息或控制信息。
- 地址总线(Address Bus,AB)
- 由CPU或有DMA(直接内存访问)能力的单元使用,用于沟通这些单元想要存取(读取/写入)的内存地址。
- 地址总线的宽度决定了系统能够访问的内存空间大小。
三、系统总线的作用与特点
- 作用:系统总线在微型计算机中扮演着类似于人体神经中枢的角色,通过它将CPU、内存、输入输出接口等部件紧密地连接在一起,实现了计算机内部各部件之间的信息交换和协同工作。
- 特点:
- 模块化:系统总线的开发促进了计算机系统的模块化设计,使得计算机系统的扩展和升级变得更加容易。
- 高效性:通过系统总线传输数据和控制信号,可以大大提高计算机系统的数据传输速率和整体性能。
- 灵活性:系统总线的设计使得人们可以根据自己的需要,将不同规模和类型的内存和接口接到系统总线上,形成各种规模的微型计算机。
仿真:没有加外部时钟电路,使用内部时钟振荡器产生的时钟信号;
不仿真:来自晶振;
晶振时钟(Crystal Oscillator Clock)
晶振时钟是指通过晶体振荡器产生的稳定时钟信号。晶体振荡器是一种能够产生高精度、高稳定度频率的电子元件,它利用石英晶体的压电效应,在外部电路的作用下产生稳定的振荡频率。这个频率通常被用作系统的基准时钟源,因为它具有极高的稳定性和准确性。
在大多数计算机和嵌入式系统中,CPU和其他关键组件的时钟信号都是由晶振提供的。晶振产生的时钟信号经过分频、倍频等处理后,可以生成不同频率的时钟信号,以满足系统不同部分的需求。
系统时钟(System Clock)
系统时钟是一个更广泛的概念,它指的是整个系统内部用于同步和驱动各种操作的时钟信号。在计算机系统或嵌入式系统中,系统时钟可能由多个时钟源组成,但其中最重要的是由晶振产生的基准时钟信号。
系统时钟不仅用于CPU的执行,还用于控制外设的通信速率、管理中断和异常、记录系统时间等。系统时钟的准确性和稳定性对系统的整体性能和可靠性至关重要。
两者之间的关系
- 晶振时钟是系统时钟的基础:在大多数系统中,系统时钟的基准信号是由晶振产生的。晶振的高稳定性和准确性保证了系统时钟的可靠性。
- 系统时钟是晶振时钟的扩展和应用:系统时钟不仅包含了晶振产生的基准信号,还包含了经过处理后的各种时钟信号,这些信号被用于系统的各个部分。
时钟来自系统时钟(晶振时钟),系统时钟分给AHB总线,AHB总线分给APB总线;
通过宏定义找到寄存器,基地址+偏移地址
对寄存器赋值,通过取反操作,与或非的操作来达到对寄存器固定位置的赋值;从而使得寄存器处于特定的模式对引脚输出不同的电平;达到控制电路的目的;
while(1):防止跑飞,使得单片机内部一直跑这个代码;
单片机内部暂时没有操作系统,所以编写c代码不用return;
设置GPIO某个引脚输出高低电平的步骤:
1、使能GPIO(RCC)
因为GPIO挂载在APB2这一条数据总线上,所以要通过APB2使能GPIO;因为LED挂载于IO端口A;所以IO端口A置1写使能;




2、设置通用推挽输出,10Mhz(工作模式)(CRL)
3、操作端口输出寄存器;(ODR)
案例1:通过设置推挽中的挽,时LED点亮;
仿真proteus结果:

设施端口输出寄存器输出1;
#define GPIOA_CRL *(int *) (0x40010800 + 0x00) #define GPIOA_ODR *(int *) (0x40010800 + 0x0c) #define RCC_APB2ENR *(int *) (0x40021000 + 0x18) int main(){ //GPIO --失能Disable --低功耗;默认失能; //使能GPIO-- Enable--才能正常工作,也会开始消耗电能; RCC_APB2ENR |= (0x01 << 2);//第二位置1; //设置PA0 --通用推挽输出,10Mhz输出速度; GPIOA_CRL &= ~(0xf << 0);//0 GPIOA_CRL |= (0x01 <<0); //输出低电平 第0位清零 GPIOA_ODR &=~(0x01 <<0); while(1); } 案例2:
操作端口2
